產品分類
PRODUCT CENTER產品規格更多
| 產品 | 規格 |
|---|---|
| 二波板 | 4320*310*85*3/4 |
| 三波板 | 4320*506*85*3/4 |
| 圓立柱 | 直徑140/114*4.5 |
| 方立柱 | 130*130*6*2540 |
| 防阻塊 | 196*178*200*3/4.5 |
| 托 架 | 70*300*4/4.5 |
| 柱 帽 | 140/114適配 |
| 螺 栓 | M16*35/45/170 |
| 方墊片 | 76*44*4 |
| 單端頭 | R160*3/4 |
點擊數:1382025-10-15 16:10:30 來源: 波形護欄|護欄板價格|高速護欄板廠家-冠縣華安交通
GB/T 31439.2-2025《波形梁鋼護欄 第2部分:三波形梁鋼護欄》?于2025年8月29日發布,計劃于2026年3月1日實施,替代2015版標準,規范公路交通工程中三波形梁鋼護欄的技術要求與安全性能。如需要2025標準電子版,可點擊關注,評論區留言需要2025標準電子版。??

a) 刪除了產品分類(見2015年版的3.1.1);

b) 更改了產品組成(見4.2,2015年版的3.2);

c) 更改了三波形梁板用途、型號和規格(見4.3.1,2015年版的3.3.1);

d) 更改了三波形梁板背板的用途、規格、尺寸和允許公差(見4.3.2、5.2.2,2015年版的3.3.2、4.2.2);


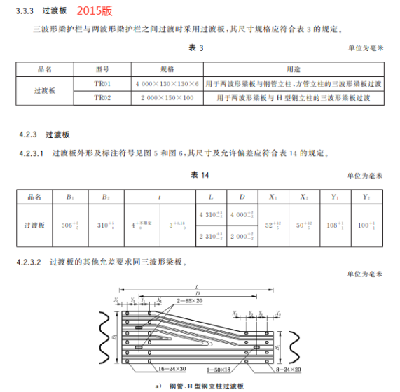
e) 更改了過渡板的用途、規格、尺寸和允許公差(見4.3.3、5.2.3,2015年版的3.3.3、4.2.3);




f) 更改了鋼管立柱防阻塊的用途、規格、尺寸和允許公差(見4.3.5、5.2.5.1、5.2.5.2,2015年版的3.3.5、4.2.5.1、4.2.5.2);


g) 增加了 BF Ⅳ型防阻塊的用途、規格、尺寸和允許公差要求(見4.3.5、5.2.5.3);


如需要2025標準電子版,可點擊關注,評論區留言需要2025標準電子版。??

